
Aeotec Home Energy Meter 8 was developed to detect the current in your homes electrical lines, calculate them to determine how much power you use in your own home, and to transmit them with Z-Wave Plus. It is powered by Aeotec’s Gen8 technology. You can find out more about Home Energy Meter by following that link.
To see whether Home Energy Meter 8 is known to be compatible with your Z-Wave system or not, please reference our Z-Wave gateway comparison listing. The technical specifications of Home Energy Meter 8 can be viewed at that link.
Important safety information.
Failure to observe the recommendations included in this manual may be dangerous or be a violation of the law. Make sure to check the operating/maintenance manual of the device you want to control to make sure the wiring is safe and allowed. Do not connect devices that are not compliant with the specification or relevant safety standards. Do not install the device in metal enclosures or on metal surfaces, this may considerably reduce the range of wireless operation. Do not expose this product to moisture, water or other liquids. Do not use it in bathrooms and other high-humidity rooms. It is highly recommended that Home Energy Meter 8 be installed either indoors or in a sheltered location. It is, however, IP44-rated and can be installed accordingly. This product is not a toy, keep it away from children and animals. Keep product away from open flames and extreme heat. Avoid direct sunlight or heat exposure.
Please read this and the guide(s) at aeotec.com/support carefully. Failure to follow the recommendations set forth by Aeotec Limited may be dangerous or a violation of the law. The manufacturer, importer, distributor, and/or reseller will not be held responsible for any loss or damage resulting from not following any instructions in this guide or in other materials.
Get to Know your Home Energy Meter 8.
Your Home Energy Meter comes packaged with a number of accessories that will help with its installation and operation.
Package Contents:
1. Home Energy Meter
2. Back mount
3. Screws
4. Detachable clamps
5. Warranty Card
6. Quick start guide
Most or all versions will come with wire-in cables to wire in your Home Energy Meter 8 into your power distributor, other versions may come with a power plug for easier installation. If your unit does not come with a power plug, and you need one, you can always purchase a wireable third-party plug.
Examples of plugs you can purchase from Amazon to add a plug to the Home Energy Meter 8:
- https://www.amazon.com/gp/product/B0BDGRR4SL
- https://www.amazon.com/gp/product/B0015OCG9S
- https://www.amazon.com/gp/product/B07SMXCT7D
The Home Energy Meter 8 only has a single LED to determine the status of its operation.
- Fading/Blinking constant LED = Ready to be paired into a new network
- Solid LED = Paired to a network
The Action Button is located on the front face of the Home Energy Meter 8.
Button Functions.
| Action button press | LED Status | Function |
| When powered up (when factory reset) | LED blinks slowly. | LED indicates that this device is ready to be paired. |
| When powered up (when paired) | LED is solid. | LED will remain solid ON when the Home Energy Meter is already paired. |
| 1x Tap (when factory reset) | Blinks LED quickly | Enters Pair mode. You can tap the button once more to exit pair mode. Exclusion mode from a hub can still factory reset this device again, Exclusion is a great way to check if the hub and this device are communicating properly. |
| 1x Tap (when paired) | Blinks LED quickly | Enters Exclusion mode (sends NIF). |
| 2x Tap (when paired) | Nothing | Force sends METER report to devices associated to Group 1 (Lifeline). |
| Press and hold [1, 2 seconds) | No LED | N/A |
| Press and hold [3 seconds) | Blinks LED slowly | N/A - Entering manual factory reset, release to stop factory reset process. |
| Press and hold [3, 9 seconds) | Blinks LED quickly | N/A - Entering manual factory reset, release to stop factory reset process. |
| Press and hold [10+ seconds) | LED becomes solid for 2 seconds, then begins to blink slowly (factory reset state) | Manual Factory Reset Factory Reset is complete. Button can be released anytime after 10+ seconds, can be held longer if needed. Home Energy Meter 8 will send a LOCAL RESET command to your controller which usually automatically removes the device from the hub it is connected to. |
Quick Start.
Power up Home Energy Meter 8.
The installation of your Home Energy Meter has two major parts: the installation of it into your home’s main circuit box and the syncing of it to your Z-Wave network. What follows are the instructions for both parts. Please note that only a licensed electrician, with knowledge and understanding of electrical systems and electrical safety, should perform the electrical installation of your meter into your home’s circuit box. The syncing of your Home Energy Meter with your Z-Wave network can be performed by youself.
Installing the meter into a circuit box.
Important: Only a licensed electrician should perform these steps.
Important: The circuit box's main breaker should be turned off to perform these installation steps.
Optimal Installation considerations:
It's now time to fix HEM's main body onto a surface. Within each meter, there is a low-frequency radio antenna for wireless communication. As such, thick concrete walls, metals, or motor devices can negatively impact the wireless performance of HEM and should be avoided.
It is recommended to have the main body installed outside of the circuit box if the home’s circuit box is made of metal. As placing the meter inside a metal circuit box could degrade the quality of the radio signal and negatively impact its wireless range.
As such, HEM's main body is weatherised to the IP44 standard making it resistant to rain and snow when installed vertically.
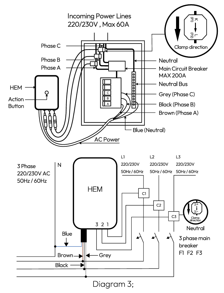
The following diagrams highlight how the Home Energy Meter should be installed dependent on the region you are in;
In the United States / Canada, it is always a 2-phase / Split-phase installation;
Diagram of USA Version(2 Phases):

Diagram of EU/AU Version(1 Phase):

Diagram of EU/AU Version(3 Phases,4 Wires):

Wiring your Home Energy Meter.
To perform the electrical installation for your Home Energy Meter (HEM), utilize the previous images to determine the phase version of the HEM and to also illustrate the following steps 3 through 7.
1. Turn off the home’s main electricity breaker and open the main circuit box panel.
2. Connect each clamp to the HEM using the clamp connector and screw them tight.
3. Clip the clamps of the HEM around the incoming electricity cables that connect to the main circuit breaker.
4. Connect AC Wire to the meter using the AC Wire Connector.
5. Insert the HEM’s neutral AC Wire into the main circuit breaker’s neutral bus terminal.
6. Insert the HEM’s live AC Wire into the main circuit breaker’s live terminal.
7. Replace the main circuit box panel.
8. Turn the main breaker back on.
It is now time to permanently affix the Home Energy Meter to a surface. Within each meter is a low-frequency radio antenna that’s used for wireless communication. This must be taken into consideration when selecting a final location for the meter. Thick concrete walls, metals, or motor devices will affect the signal strength of the controller and the meter.
If the home’s circuit box is made of metal, it is recommended that the Main Body of the meter be installed outside of the circuit box. Placing the meter inside the circuit box could degrade the quality of the radio signal and negatively impact its wireless range. To assist with such an installation, each meter is weatherized to the IP44 international standard. This makes it resistant to rain and snow when installed vertically.
To mount or place the Home Energy Meter (HEM).
1. Remove the backing plate from the back of the HEM.
2. Affix the plate to the selected wall space using the provided screws. The plate should be installed vertically and aligned so that the wires of the HEM are at the bottom.
3. Attach the HEM to the backing plate.
Connect Home Energy Meter 8 to a hub.
This section will go over brief steps to connecting Home Energy Meter 8, for further details on connecting this product to your hub, click on the hub that you have to access more detailed steps.
- Aeotec AutoPilot:
- Open up AutoPilot UI
- Click on "DEVICES"
- Click on "+ Add new"
- Click on "+"
- Click on "+ Add"
- Now tap the Action Button once on your Home Energy Meter 8 once.
- Aeotec Smart Home Hub / SmartThings:
- Open SmartThings app.
- Tap + (at the top right corner).
- Tap Add Device
- Select "Scan Nearby" at the bottom
- Now tap the Action Button once on your Home Energy Meter 8.
- Select "Secure Setup" when prompted
- Scan the QR code, or choose to enter the 5-digit DSK code listed under the QR code.
- Home Assistant / Z-WaveJS:
(Note - Long Range pairing steps available in ZWaveJS UI - steps in the Home Assistant and ZWaveJS UI setup with this device is available)- Open up Home Assistant
- Click on "Configuration" at the bottom left of the page.
- Click on "Integrations".
- Click on "Configure".
- Click on "ADD NODE".
- Click on "START INCLUSION"
- Tap the Home Energy Meter 8 Action button once to pair it.
- Hubitat:
- Open Hubitat
- Click on "Devices" tab
- Click "+ Add device"
- Click Z-Wave
- Click + Start Z-Wave Inclusion
- Tap the button on your HEM 8
- Follow the link above to install drivers.
- Fibaro HC3 / Yubii Home:
- Open the Home Centre 3 user interface.
- Tap"+ Add device" located at the top right corner.
- Tap "Z-Wave".
- Tap "Start"
- Home Center 3 will now be scanning for a device to pair (you can confirm that the green LED on your hub is now blinking at this point).
- Tap the action button once quickly on Home Energy Meter 8 to pair the sensor.
- Input the 5 digit pin code to finalize secure pairing.
- Homey Pro:
- Open Homey App.
- Change to Devices.
- Press + (upper right corner).
- Tap New Device.
- Search and select Aeotec App, and then select Home Energy Meter 8.
- Tap Connect.
- Quick tap/press the button on Home Energy Meter 8 once.
- Quick tap/press the button on Home Energy Meter 8 once again when requested.
- Add the 5-digit DSK Code from the Backside of Home Energy Meter 8 under the mount.
- Following the instruction in the App
- SmartStart QR code scanning:
- If your Z-Wave gateway supports SmartStart, you can scan the QR code on the Home Energy Meter 8 to automatically pair the sensor if your Z-Wave hub supports this.
- If your Z-Wave gateway supports SmartStart, you can scan the QR code on the Home Energy Meter 8 to automatically pair the sensor if your Z-Wave hub supports this.
- For most other hubs:
- Set your Z-Wave hub to connect new Z-Wave devices.
- Tap the Home Energy Meter 8 action button once.
- If prompted, scan the QR code or enter the 5-digit DSK code.
Product Usage.
Once Home Energy Meter 8 is installed, depending on the Z-Wave hub/controller that you are using and the integration level of the sensor, many entities/devices should appear. There are multiple child nodes, and different outputs for both consumption and production of power, among many other reporting variables between each.
Organizing (including hiding reports that you do not want to see) your entities may or may not be possible between each hub - Depending on how many clamps Home Energy Meter 8 has, will determine how many child devices there are.
Each endpoint can report V, A, W, kWh, Power Factor, kVar, kVarh for each clamp or total report.
1 Clamp Version (7 reports * 6 endpoints = 42 individual possible reports)
Endpoint 1 - Clamp 1 Consumption
Endpoint 2 - Clamp 1 Production
Endpoint 3 - Sum of Consumption for all Clamps (Clamp 1 only)
Endpoint 4 - Sum of Production for all Clamps (Clamp 1 only)
Endpoint 5 - Net power consumption of power and energy (consumption - generation = net total consumption)
Endpoint 6 - Net power generation of power and energy (generation - consumption = net total generation)
2 Clamp Version (7 reports * 8 endpoints = 56 individual possible reports)
Endpoint 1 - Clamp 1 Consumption
Endpoint 2 - Clamp 1 Production
Endpoint 3 - Clamp 2 Consumption
Endpoint 4 - Clamp 2 Production
Endpoint 5 - Sum of Consumption for all Clamps (Clamp 1 + 2)
Endpoint 6 - Sum of Production for all Clamps (Clamp 1 + 2)
Endpoint 7 - Net power consumption of power and energy (consumption - generation = net total consumption)
Endpoint 8 - Net power generation of power and energy (generation - consumption = net total generation)
3 Clamp Version (7 reports * 10 endpoints = 70 individual possible reports)
Endpoint 1 - Clamp 1 Consumption
Endpoint 2 - Clamp 1 Production
Endpoint 3 - Clamp 2 Consumption
Endpoint 4 - Clamp 2 Production
Endpoint 5 - Clamp 3 Consumption
Endpoint 6 - Clamp 3 Production
Endpoint 7 - Sum of Consumption for all Clamps (Clamp 1 + 2)
Endpoint 8 - Sum of Production for all Clamps (Clamp 1 + 2)
Endpoint 9 - Net power consumption of power and energy (consumption - generation = net total consumption)
Endpoint 10 - Net power generation of power and energy (generation - consumption = net total generation)
Depending on the unit you have, the UI can get a bit overwhelming, but you can locate which type of report is coming from which clamp based on the endpoint of the specific entity you are trying to pinpoint.
Example UI
Below are a few examples of some UI of the Home Energy Meter 8 from various hubs that we have tested. It'll show a sheer number of possible reports from the Home Energy Meter 8.
Fibaro HC3
Homey
Home Assistant / ZWaveJS


Advanced Functions.
Z-Wave Resetting Home Energy Meter 8.
Your Home Energy Meter 8 can be removed from your Z-Wave network at any time. You'll need to use your Z-Wave network's main controller to do this and the following instructions tell you how to do this. If you are using other products as your main Z-Wave controller, please refer to the part of their respective manuals that tells you how to remove devices from your network.
Using an existing gateway:
You may use any gateway to perform an unpair/removal on Home Energy Meter 8 even if they are not paired together to factory reset Home Energy Meter 8. An exclusion can be done even if the Home Energy Meter 8 is paired or not to a specific hub, any hub can perform an exclusion.
1. Set your Z-Wave gateway into Z-Wave unpair (exclusion) mode.
2. Tap the action button once; the LED will flash rapidly while it is scanning, and still blink slowly to indicate it is factory reset.
Manual Hard Resetting Home Energy Meter 8.
This method is not fully advised unless your gateway has failed, if paired to your network, performing these steps will factory reset your Home Energy Meter 8. If it is paired to a hub, performing this step will lead to automatically removing itself from the network most of the time, this action may be missed at times leaving a phantom device.
1. Make sure the device has been powered and expose the Action Button by removing the HEM 8 from its back mount.
2. Press and hold the button for 10+ seconds, then release the action button.
3. If the reset was successful, the LED will flash slowly to indicate it was factory reset.
There are further advanced parameter settings and group association settings not listed in this guide. You can find the attachment of the advanced engineering sheet of the Home Energy Meter 8 which will give you all possible functions of the Home Energy Meter 8 that may be missing in this guide.
The PDF guide will feature these missing advanced settings:
- Parameter settings (Configuration Command Class)
- Group Association (Association Command Class)
- Supported Command Class.
- Expanded manual for use.
- Detailed electrical specifications.
You may download the engineering sheet below (when it becomes available or you can find it in the Series 700/800 engineering sheets :